Web Analytics Made Easy - Statcounter

3 Phase Bridge Rectifier Circuit: Power Your Devices Efficiently! Three phase half wave controlled rectification circuit diagr

If you are searching about 12v Bridge Rectifier Circuit Diagram you've visit to the right place. We have 25 Pictures about 12v Bridge Rectifier Circuit Diagram like Three Phase Rectifier Animation - YouTube, 8: Three-phase full-wave bridge rectifier circuit | Download Scientific and also Three Phase Rectifier Animation - YouTube. Here it is:

12v Bridge Rectifier Circuit Diagram

12v Bridge Rectifier Circuit Diagram www.circuitdiagram.co

[DIAGRAM] Circuit Diagram 3 Phase Bridge Rectifier - MYDIAGRAM.ONLINE

[DIAGRAM] Circuit Diagram 3 Phase Bridge Rectifier - MYDIAGRAM.ONLINE mydiagram.online

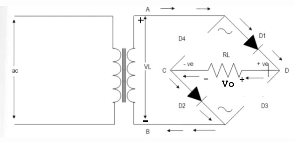
Bridge Rectifier – Construction, Working, Characteristics And Types

Bridge Rectifier – Construction, Working, Characteristics and Types www.geeksforgeeks.org

Three Phase Full-wave Uncontrolled Bridge Rectifier - Multisim Live

Three Phase Full-wave Uncontrolled Bridge Rectifier - Multisim Live www.multisim.com

Bridge Rectifier Circuit Diagram - Circuit Diagram

bridge rectifier circuit diagram - Circuit Diagram www.circuitdiagram.co

Three Phase Full Wave Diode Rectifier (Equations & Circuit Diagram

Three Phase Full Wave Diode Rectifier (Equations & Circuit Diagram www.electrical4u.com

phase wave diode full three rectifier electrical4u rectifiers bridge february october 2012 2020

Circuit Diagram 3 Phase Bridge Rectifier

Circuit Diagram 3 Phase Bridge Rectifier fixmanualkoehler.z21.web.core.windows.net

3 Phase Bridge Rectifier Circuit Diagram

3 Phase Bridge Rectifier Circuit Diagram schematicmotorumbasic.z4.web.core.windows.net

3 Phase Bridge Rectifier Circuit Diagram / Rectifier Theory 3 Phase

3 Phase Bridge Rectifier Circuit Diagram / Rectifier Theory 3 Phase diyburbank.blogspot.com

rectifier diode inductive diodes resistive capacitive harmonic

Bridge Rectifier Circuit - Electronics Basics - The Geek Pub

Bridge Rectifier Circuit - Electronics Basics - The Geek Pub www.thegeekpub.com

rectifier controlled basics output

[DIAGRAM] Block Diagram Of 3 Phase Rectifier - WIRINGSCHEMA.COM

[DIAGRAM] Block Diagram Of 3 Phase Rectifier - WIRINGSCHEMA.COM wiringschema.com

Three Phase Bridge Rectifier Circuit Diagram - Circuit Diagram

Three Phase Bridge Rectifier Circuit Diagram - Circuit Diagram www.circuitdiagram.co

Controlled Rectifiers

Controlled Rectifiers www.monolithicpower.com

Construction And Working Of Bridge Rectifier Presentation

Construction And Working Of Bridge Rectifier Presentation www.slidemake.com

Circuit Diagram For A Three-phase Diode Rectifier. | Download

Circuit diagram for a three-phase diode rectifier. | Download www.researchgate.net

Schematic Diagram Of Bridge Type Rectifier Circuit Full Brid

Schematic Diagram Of Bridge Type Rectifier Circuit Full Brid gretryindency1jicircuit.z21.web.core.windows.net

3 Phase Full Wave Rectifier Circuit Diagram

3 Phase Full Wave Rectifier Circuit Diagram enginediagramrepe.z13.web.core.windows.net

Bridge Rectifier Circuit, Construction, Working, And Types

Bridge Rectifier Circuit, Construction, Working, and Types www.electronicsforu.com

8: Three-phase Full-wave Bridge Rectifier Circuit | Download Scientific

8: Three-phase full-wave bridge rectifier circuit | Download Scientific www.researchgate.net

rectifier phase

Schematic Diagram Of 3 Phase Bridge Rectifier Stock Vector Image & Art

schematic diagram of 3 phase bridge rectifier Stock Vector Image & Art www.alamy.com

How A Bridge Rectifier Works - Step By Step Tutorial - DERF Electronics

How a Bridge Rectifier works - Step by Step Tutorial - DERF Electronics www.derf.com

rectifier does resistor derf

Three Phase Half Wave Controlled Rectification Circuit Diagr

Three Phase Half Wave Controlled Rectification Circuit Diagr scattandogowfix.z21.web.core.windows.net

Three Phase Rectifier Animation - YouTube

Three Phase Rectifier Animation - YouTube www.youtube.com

rectifier phase three animation

What Is Bridge Rectifier? Circuit Diagram, Working

What is Bridge Rectifier? Circuit Diagram, Working www.tutoroot.com

Different Types Of Rectifiers - Single & Three Phase

Different Types of Rectifiers - Single & Three Phase mechatrofice.com

circuit rectifier controlled bridge types rectifiers scr

Schematic diagram of 3 phase bridge rectifier stock vector image & art. [diagram] block diagram of 3 phase rectifier. 8: three-phase full-wave bridge rectifier circuit