Web Analytics Made Easy - Statcounter

2009 Dodge Journey Window Wiring Diagram: Fix Your Power Windows Fast Dodge journey wiring diagram images

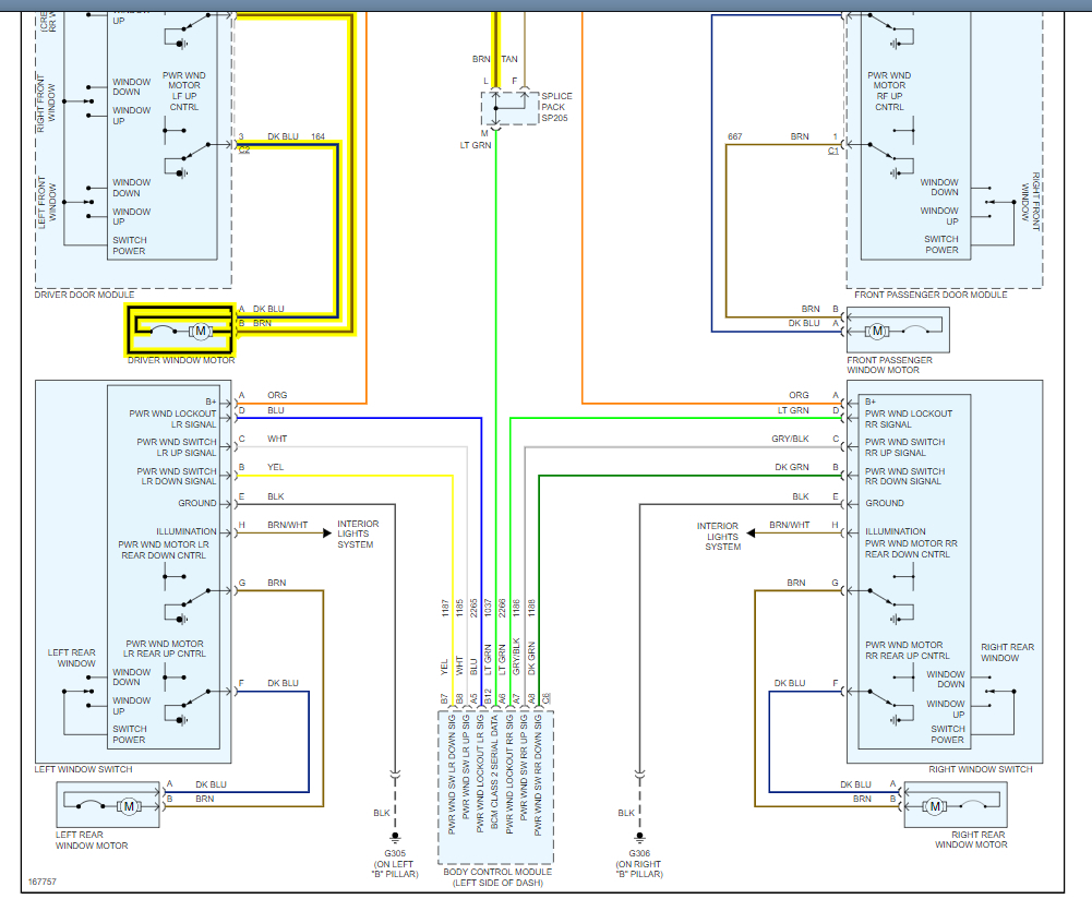
If you are searching about Dodge Journey Wiring Diagram you've visit to the right web. We have 25 Pics about Dodge Journey Wiring Diagram like Dodge Journey Window Switch Problems at Jonathan Underwood blog, Unveiling the 2009 Dodge Journey Window Wiring Diagram: A Complete and also Gm Power Door Switch Wiring Diagram. Here you go:

Dodge Journey Wiring Diagram

Dodge Journey Wiring Diagram axiom-northwest.com

How To Replace Master Window Switch 2009-2020 Dodge Journey - YouTube

How to Replace Master Window Switch 2009-2020 Dodge Journey - YouTube www.youtube.com

Dodge Journey Window Switch Problems At Jonathan Underwood Blog

Dodge Journey Window Switch Problems at Jonathan Underwood blog exohhtots.blob.core.windows.net

Hq Power Window Wiring Diagram

Hq Power Window Wiring Diagram wiringpartpatricia.z21.web.core.windows.net

2010 Dodge Journey Wiring Diagram

2010 Dodge Journey Wiring Diagram circuitenginetogaed.z13.web.core.windows.net

Dodge Journey Wiring Diagram Images - Faceitsalon.com

Dodge Journey Wiring Diagram Images - Faceitsalon.com faceitsalon.com

journey wiring imgv2 scribdassets

Dodge Journey Wiring Diagram

Dodge Journey Wiring Diagram engineinsistency.z13.web.core.windows.net

Dodge Journey Wiring Diagram

Dodge Journey Wiring Diagram schematicutrumque.z19.web.core.windows.net

Dodge Journey Wiring Diagram

Dodge Journey Wiring Diagram fixwiringperfecta.z19.web.core.windows.net

Toyota Power Window Switch

Toyota Power Window Switch arceerttoddiagrampart.z13.web.core.windows.net

Window Switch Wiring Diagram: Window On Drivers' Side Will...

Window Switch Wiring Diagram: Window on Drivers' Side Will... www.2carpros.com

2009-2010 Dodge Journey Window Switch - Replacement 953-218 - Front

2009-2010 Dodge Journey Window Switch - Replacement 953-218 - Front www.partsgeek.com

Dodge Journey Workshop Repair Manual 2009-2019 Download PDF

Dodge Journey Workshop Repair Manual 2009-2019 Download PDF workshopmanuals.org

Wiring Diagram Aftermarket Power Windows: A Guide To Installation

Wiring Diagram Aftermarket Power Windows: A Guide to Installation www.diagramflow.co

Dodge Journey Wiring Diagram

Dodge Journey Wiring Diagram guidepartepilating.z19.web.core.windows.net

2009 Dodge Journey Wiring Diagram

2009 Dodge Journey Wiring Diagram stewart-switch.com

Car Power Window Circuit Diagram

Car Power Window Circuit Diagram schematicfixrequiris.z22.web.core.windows.net

Power Window Relay Wiring Diagram

Power Window Relay Wiring Diagram stewart-switch.com

2009 Dodge Journey Window Wiring Diagram - Sustainablefer

2009 Dodge Journey Window Wiring Diagram - Sustainablefer sustainablefer.blogspot.com

Gm Power Door Switch Wiring Diagram

Gm Power Door Switch Wiring Diagram enginelibvalueless.z21.web.core.windows.net

Dodge Journey Wiring Diagram

Dodge Journey Wiring Diagram schematicutrumque.z19.web.core.windows.net

Ultimate Guide To Power Windows Wiring Diagrams For Beginners

Ultimate Guide to Power Windows Wiring Diagrams for Beginners techdiagrammer.com

Diagrama Electrico Dodge Journey 2009 Journey Reparacion

Diagrama Electrico Dodge Journey 2009 Journey Reparacion moraccini0zalibguide.z14.web.core.windows.net

Unveiling The 2009 Dodge Journey Window Wiring Diagram: A Complete

Unveiling the 2009 Dodge Journey Window Wiring Diagram: A Complete elecsprout.com

Dodge Journey Power Window Motor/Switch Window Won't Go Up Jeep Liberty

Dodge Journey Power Window Motor/Switch Window Won't Go Up Jeep Liberty www.youtube.com

window dodge journey switch power jeep motor go liberty

Hq power window wiring diagram. Dodge journey wiring diagram images. Dodge journey window switch problems at jonathan underwood blog